欢迎光临乐清市莱斯欣电子有限公司! 热线电话: 0577-62337166
服务体系: 网站首页产品中心 翘板开关 >KCD5-102P

KCD5-102P

KCD5-102P.jpg

描述 

●跷板开关

●单刀单掷

●额定电压电流

13A 6(6)A 250V~,T105/55

6A 250Vac T85/55

6A 250Vac,10A 125Vac 

●获得认证:UL cUL,TUV,CQC

●温度限:85℃ Max. 

●耐高压:2500Vac 

●绝缘电阻:>100MΩ 

●寿命:10000cycles

●接触电阻:< 50mΩ 

●Resistance to tracking(PTI):175V

●适用器具类别:Ⅱ

●防护级别:IPOO

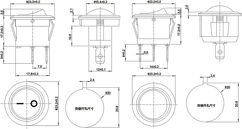
尺寸图

2011426141041989.jpg

标识订货

2011425163729589.jpg