欢迎光临乐清市莱斯欣电子有限公司! 热线电话: 0577-62337166
服务体系: 网站首页产品中心 翘板开关 >KCD5-2P

KCD5-2P

KCD5-2P.jpg

描述

●带指示灯开关

●单刀单掷

●额定电压电流

(1)16A 250V~10A 125Vac(ULcUL)

(2)13A 250Vac T105/55(TUV rating#1)

6(6)A 250Vac (TUV rating#2)

●获得认证:ULcUL,TUV,CQC

●温度限:85℃ Max.

●耐高压:2500Vac

●绝缘电阻:>100MΩ

●寿命:10000cycles

●接粗电阻:< 50mΩ

●PTI:175V

●适用器具类别:Ⅱ

●防护级别:IPOO

尺寸图

2011426155732721.jpg

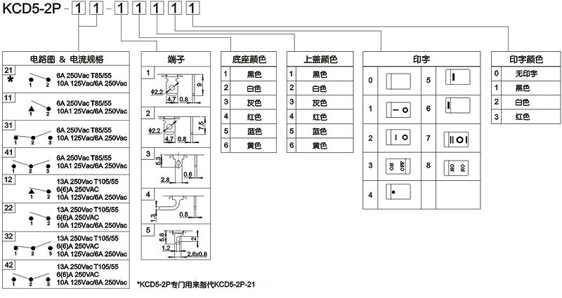
标识订货

2011425161658757.jpg