欢迎光临乐清市莱斯欣电子有限公司!
热线电话: 0577-62337166
网站首页
关于我们
公司简介
资质荣誉
企业文化
发展历程
人才招聘
联系我们
产品中心
指示灯
翘板开关
旋转开关
过载保护器
风压开关
防水开关
连体开关
按压开关
拨动开关
微动开关
产品应用
电动工具
美发护理
家用电器
办公设备
新闻资讯
公司新闻
行业新闻
媒体报道
服务支持
服务体系
营销网络
品质保证
合作伙伴
联系我们
中
/
EN
服务体系:
网站首页
⊙
产品中心
⊙
按压开关 >
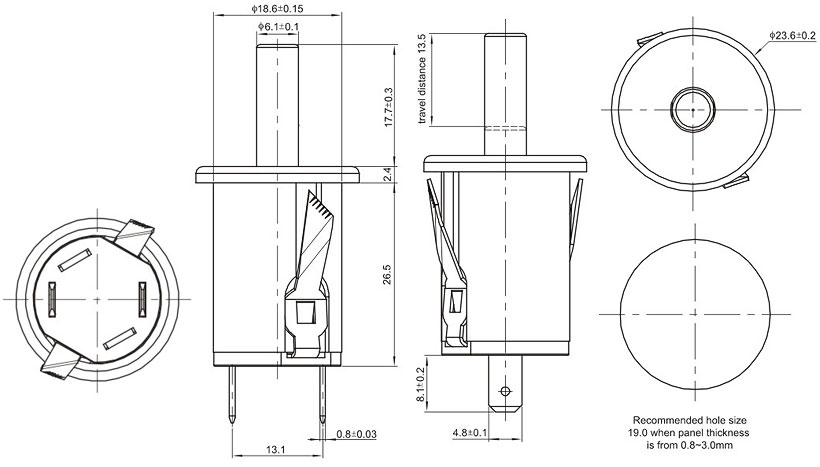
M1
M1
描述
●按压开关
●单刀(双刀)
●额定电压电流
4A 125/250Vac,T150
1A 125/250Vac,T150
●获得认证:ULcUL
●温度限:150℃ Max.
●耐高压:2500Vac
●绝缘电阻:>100MΩ
●寿命:10000cycles
●接触电阻: <50MΩ
●Resistance to tracking(PTI):175V
●适用器具类别:Ⅱ
●防护级别:IPOO
尺寸图
标识订货
上一篇:KCD5-2P-H
下一篇:DME-1116